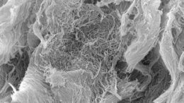
Αντικαρκινικό υδροτζέλ βοηθά στην ανοσοθεραπεία

Ιδιαίτερα αποτελεσματικό στην εξόντωση καρκινικών κυττάρων εμφανίζεται ένα φάρμακο ανοσοθεραπείας ενσωματωμένο σε υδροτζέλ αργής απελευθέρωσης/ χορήγησης, που δημιούργησαν επιστήμονες του Rice University σε συνεργασία με…


Φρανκενστάιν: Μετά από 200 χρόνια το φάντασμά του στοιχειώνει ακόμη την επιστήμη και την τεχνολογία

Μια σημαδιακή επέτειο «γιορτάζουν» το 2018 -θέλοντας και μη- η επιστήμη και η τεχνολογία. Συμπληρώθηκαν 200 χρόνια από την έκδοση του βιβλίου-ορόσημου «Φρανκενστάιν ή ο…



Με τρία πλωτά ασθενοφόρα και δέκα οχήματα παντός εδάφους ενισχύεται το Λιμενικό στο Αιγαίο

Την αγορά τριών πλωτών ασθενοφόρων, και δέκα οχημάτων τύπου pick up ανακοίνωσαν ο Υπουργός Ναυτιλίας & Νησιωτικής Πολιτικής Παναγιώτης Κουρουμπλής και ο Υφυπουργός Νεκτάριος Σαντορινιός,…




Λιμάνι Λειψών: Εκκρίθηκε η αναβάθμιση ηλεκτρομηχανολογικών εγκαταστάσεων

Υπεγράφη από τον Γενικό Γραμματέα Λιμένων, Λιμενικής Πολιτικής και Ναυτιλιακών Επενδύσεων κ. Χρήστο Λαμπρίδη, η απόφαση για την έγκριση εκτέλεσης του έργου αναβάθμισης ηλεκτρομηχανολογικών εγκαταστάσεων…



Τριμερής Ελλάδας, Κύπρου, Αιγύπτου για την ανάπτυξη της κρουαζιέρας

Η διερεύνηση των δυνατοτήτων ανάληψης κοινών πρωτοβουλιών για την ανάπτυξη της κρουαζιέρας και του θαλάσσιου τουρισμού αποτέλεσε το επίκεντρο της συνάντησης της υπουργός Τουρισμού, Έλενας…







Έρευνα του Twitter: Τα fake news «ταξιδεύουν» πολύ πιο γρήγορα και σε περισσότερους από ό,τι οι αληθινές

Οι ψευδείς ειδήσεις είναι 70% πιθανότερο να εξαπλωθούν μέσω του Twitter από ό,τι οι αληθινές ειδήσεις, σύμφωνα με μία νέα αμερικανική επιστημονική έρευνα, τη μεγαλύτερη…